繼電保護測試儀無制動時的起始安匝檢驗
  繼電保護測試儀無制動時的起始安匝檢驗。
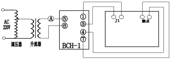
本項目不是一般的定期檢驗項目,把WC工作繞組的20匝全部投入,把(10)(11)的短接片接上,交流電流從(3)(8)加入,觸點動作信號從(5)(7)接入觸點端,按電流繼電器的方法檢驗。
C、制動特性實驗
繼電保護測試儀定期檢驗時僅測定=0°和制動安匝為280安匝的動作安匝值。
	 按上圖接線,斷開(4)(6)端子的連接片,動作回路取39匝,制動回路取14匝,調壓器(較大容量5KVA以上)和本儀器使用同-220V電源時,升至電流到要求的安匝,按交流繼電器的方法做出動作電流。如果動作安匝安全不對,可能是制動電流和動作電流的相角是180度,把制動電流反相就好了,如果本儀器使用三相電中的一相,調壓器使用另外一相,通過改變相別的將升流器正接反接可得到60°的相角。如外接移相器,亦可得到全部的0°、30°、60°、90°的相角。
 
  按上圖接線,斷開(4)(6)端子的連接片,動作回路取39匝,制動回路取14匝,調壓器(較大容量5KVA以上)和本儀器使用同-220V電源時,升至電流到要求的安匝,按交流繼電器的方法做出動作電流。如果動作安匝安全不對,可能是制動電流和動作電流的相角是180度,把制動電流反相就好了,如果本儀器使用三相電中的一相,調壓器使用另外一相,通過改變相別的將升流器正接反接可得到60°的相角。如外接移相器,亦可得到全部的0°、30°、60°、90°的相角。
繼電保護測試儀整組伏安特性檢驗,如下圖接線
	 交流電流中在工作繞組上(3)(8),執行元件的電壓由一塊用表從(9)(10)讀取,選擇T1至IAC檔,升流到所需安匝數,讀取1倍、2倍、5倍安匝時執行元件端的電壓值。詳見《保護繼電器檢驗》一書。
 
  交流電流中在工作繞組上(3)(8),執行元件的電壓由一塊用表從(9)(10)讀取,選擇T1至IAC檔,升流到所需安匝數,讀取1倍、2倍、5倍安匝時執行元件端的電壓值。詳見《保護繼電器檢驗》一書。
E、繼電保護測試儀整定位置下的動作安匝檢驗
繼電保護測試儀做法同交流電流繼電器,詳見本說明書第五項之第2條。
本項目不是一般的定期檢驗項目,把WC工作繞組的20匝全部投入,把(10)(11)的短接片接上,交流電流從(3)(8)加入,觸點動作信號從(5)(7)接入觸點端,按電流繼電器的方法檢驗。
C、制動特性實驗
繼電保護測試儀定期檢驗時僅測定=0°和制動安匝為280安匝的動作安匝值。
 
 
繼電保護測試儀整組伏安特性檢驗,如下圖接線
 
 
E、繼電保護測試儀整定位置下的動作安匝檢驗
繼電保護測試儀做法同交流電流繼電器,詳見本說明書第五項之第2條。
- 上一篇: 智能互感器測試儀CT測試時的接線方式
- 下一篇: 智能互感器測試儀10%誤差曲線計算和應用方法










